- Get link
- X
- Other Apps
- Get link
- X
- Other Apps
Also please check out the statistics and reliability analysis of Acura MDX based on all problems reported for the MDX. Acura MDX 2014 Navigation and Multimedia System User Guidesrar.
Kaeden Yates 2001 Acura Mdx Front Bumper
Bring your vehicles fuel system back to its top shape with this top-notch part.

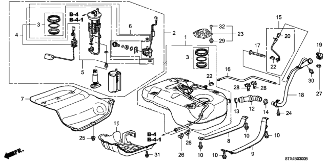
05 acura mdx fuel filler neck diagram. Well thats what I think it is. Acura MDX Repair Manual it clearly shows all the information on the operation maintenance diagnostics and repair of these models of crossovers the release of which fell on 2006-2013. Advance Auto Parts has 3 different Fuel Tank Filler Neck for your vehicle ready for shipping or in-store pick up.
Gas tankabout 1 gallon of gas islowly my 2004 acura mdx is giving me issues with trying to fill the gas tank. The most recently reported issues are listed below. When your vehicle needs maintenance keep in mind that your Acura dealers staff is specially trained in servicing the many systems unique to your Acura.
Acura MDX owners have reported 9 problems related to other fuel system tank assembly under the other fuel system category. In replacing the rotors and pads on my wifes 01 MDX I finally discovered the source of the every-so-often gas smell from her car. We sell wholesale to the public.
Acura MDX 2005 Fuel Tank Filler Neck by Liland Global. Search our online fuel filler neck catalog and find the lowest priced discount auto parts on the web. These cars are equipped with a 37-liter gasoline engine J37A.
Engine compartment fuse and relay box Acura MDX fuse box. Fuel Tank Filler Neck Seal. Designed as a direct-fit replacement of your worn-out or malfunctioning part it will provide easy.
Replacement filler neck designed to fit the MDX. Your Acura dealer is dedicated to your satisfaction and will be pleased to answer any questions and concerns. Acura MDX 2001 2006 fuse box diagram.
Acura MDX 2001 Fuel Pump Module Assembly by Herko. Our 2004 MDX is now up to 89K miles. When filling the tank the automatic shutoff on the pump will suddenly be activated and gas will come pouring back out the filler spilling all over the place.
SPECTRA PREMIUM 17660S3VA01 17660S3VA02 SPECTRA PREMIUM. 2004 acura mdx. From inspecting the situation it seems as if theres a leak where the fuel filler neck meets the fuel tank.
ACURA 2004 MDX 35L V6 Fuel Air Fuel Tank Filler Neck. Replacement fuel tank filler neck for a 2004 Acura MDX. Introduced as a 2001 model Acura MDX was the first mid-size luxury crossover SUV to have third-row seating which made it more appealing than other.
We offer a full selection of genuine Acura MDX Fuel Filler Necks engineered specifically to restore factory performance. 8 Fuel Filler Necks found. Live Chat or 1-888-505-1906.
We specialize in a wide-variety of high-quality car parts and accessories for your car truck or SUV. Get a fuel tank filler neck for the MDX model Acura. It does fill eventually but very very slo.
The year 2000 opened its doors to the birth of the Acura MDX with MDX standing for Multi-Dimensional Luxury It came in the scene when most luxury SUVs still had a body-on-frame construction. Acura MDX 2014 Service Repair Manualrar. After putting in about 1 gallon of gas i have difficulty filling the rest of the tank.
Get up to 32 off MSRP for all genuine Acura parts. We offer high quality new OEM aftermarket and remanufactured Acura MDX Fuel Filler Neck parts. Average repair cost is 800 at 98000 miles.
The best part is our Acura MDX Fuel Tank Filler Neck products start from as little as 3289. Your selection of a 2005 Acura MDX was a wise investment. The 2003 Acura MDX has 1 problems reported for fuel filler neck cracked.
About 6 months ago it started giving us an intermittent problem when filling the fuel tank. In addition to information on safety important instructions for drivers and craftsmen an introductory part and an informative application. Please narrow the Fuel Tank Filler Neck Hose Pipe results by selecting the vehicle.
Your Acura MDX will be happy to know that the search for the right Fuel Tank Filler Neck products youve been looking for is over. No parts for vehicles in selected markets. 2001 2002 2003 2004 2005 2006.
Acura MDX 2006-2009 Service Repair Manualrar. This top-grade product is expertly made in compliance with stringent industry standards to offer a fusion of a well-balanced design and high level of craftsmanship.
Wesley Mccarty Acura Mdx Jack Points
Juno Fleming 2005 Acura Tl Fuel Filter
6 X Spark Plugs Genuine For Acura Mdx Honda Odyssey Pilot Ridgeline Saturn Vue
Cooling System Issue Acura Mdx Suv Forums
P0499 Code Acura Mdx Suv Forums
Occasional Stumbing Rough Idle Fuel Pump And Or Injectors Suspected Acura Mdx Suv Forums
Rusted Leaking Fuel Line Acurazine Acura Enthusiast Community
01 Acura Mdx Vacun Diagram Page 1 Line 17qq Com
Kaeden Yates 2001 Acura Mdx Front Bumper
Cooling System Issue Acura Mdx Suv Forums
Exhaust Pipe 3 For 2006 Acura Mdx Acura Parts Now
Mdx Belt Rubbing Help Only Car Acurazine Acura Enthusiast Community
P0499 Code Acura Mdx Suv Forums
17670 T3w A01 Genuine Acura Cap Fuel Filler
Juno Fleming 2002 Acura Rsx Exhaust System Diagram
08 Mdx Ac Compressor Replacement Acura Mdx Suv Forums
Juno Fleming 2007 Acura Mdx Fuel Door
Cooling System Issue Acura Mdx Suv Forums
Pcm Location 2015 Mdx Acurazine Acura Enthusiast Community
Comments
Post a Comment